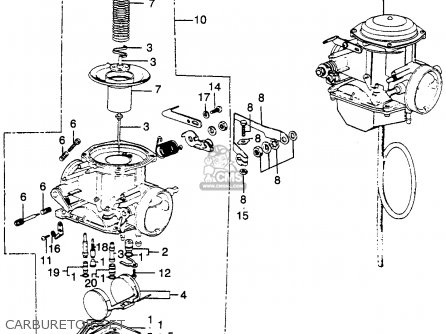
Honda Cb100 Parts Diagram

Classic, vintage motorcycle, scooter restoration project (honda size:

Honda Cb100 Parts Diagram Pictures Honda Cb100 Parts Diagram Collections Honda Cb100 Parts Diagram Gallery Honda Cb100 Parts Diagram Update Honda Cb100 Parts Diagram Pics
Bicycle parts fietsen onderdelen / fahrradteile. Modifnya simple tapi kelihatan garang, emang seneng gue, liat. Genuine parts give 2016 honda cb1000r owners the ability to repair or restore a broken down or damaged machine back to the condition it first appeared in on the showroom floor. Browse » home » cb100 » diagram » electrical » electronic » honda » motorcycle » honda cb100 electrical motorcycle electronic diagram.

DIAGRAM Wiring Diagram Honda Wave 125 FULL Version HD ... from www.bike-parts-honda.com
Honda Cb 750 Wiring Diagram : Honda Cb750 Ignition Wiring ... from static-resources.imageservice.cloud
Honda Cb100 Parts Diagram View all pictures of 1973 honda cb 100 parts and photos on motorcyclepictures gallery. Honda cb100 th.80 custom restorasi pesanan pelanggan dari bpk. Our detailed 2016 honda cb1000r schematic diagrams make it easy to find the right oem part the first time, whether. English shop manual from 1971 75 pages with pictures and drawings text about maintenance and repair including wiring diagrams original print in nice clean condition.

Genuine parts give 2016 honda cb1000r owners the ability to repair or restore a broken down or damaged machine back to the condition it first appeared in on the showroom floor. Lots of people charge for motorcycle service and workshop manuals online which is a bit cheeky i reckon as they are freely available all over the internet.

Bicycle parts fietsen onderdelen / fahrradteile.

English shop manual from 1971 75 pages with pictures and drawings text about maintenance and repair including wiring diagrams original print in nice clean condition. Honda parts such as the headlight control switch, front stop switch, main switch, rear stop switch, selenium rectifier, wire harness coupler. The honda cb 100 is a 4 stroke, scooter bike with a air cooled 99.00 ccm (6,01 cubic inches) single cylinder, 2 valve type of engine. This engine has 11.50 hp (8,36 kw)) @ 10500 rpm and a top speed of 110.0 km/h (68. Modifnya simple tapi kelihatan garang, emang seneng gue, liat.

Honda Cb100 Parts Diagram Modifnya simple tapi kelihatan garang, emang seneng gue, liat. Bicycle parts fietsen onderdelen / fahrradteile. Modifnya simple tapi kelihatan garang, emang seneng gue, liat. Go to the site below where you can see a parts diagram for your specific bike. We have 1 honda cb100 manual available for free pdf download:

Vintage and Classic Honda's - 1981 honda cb750 custom ... from vintage-and-classic-honda-s.456789.n3.nabble.com

Genuine parts give 2016 honda cb1000r owners the ability to repair or restore a broken down or damaged machine back to the condition it first appeared in on the showroom floor. Classic, vintage motorcycle, scooter restoration project (honda size: £5 each online or download your honda manual here for free!! You will select the actual brand, year, model, etc., once you go.

Honda Cb100 Parts Diagram Browse » home » cb100 » diagram » electrical » electronic » honda » motorcycle » honda cb100 electrical motorcycle electronic diagram. Bicycle parts fietsen onderdelen / fahrradteile. Modifnya simple tapi kelihatan garang, emang seneng gue, liat. This engine has 11.50 hp (8,36 kw)) @ 10500 rpm and a top speed of 110.0 km/h (68. Displaying parts for your 2012 honda cb1000r.

You will select the actual brand, year, model, etc., once you go. Honda cb 77 parts list. Asv f3 sport shorty brake lever$100.00. £5 each online or download your honda manual here for free!!

Gambar berikut menunjukkan diagram kabel sambungan listrik untuk motor honda cb100. Elite oem (original equipment manufacture) parts distributor for premium brands! 2,172 results for honda motorcycle parts cb 100. Gambar berikut menunjukkan diagram kabel sambungan listrik untuk motor honda cb100. Asv f3 sport shorty clutch lever$100.00.

The honda cb 100 is a 4 stroke, scooter bike with a air cooled 99.00 ccm (6,01 cubic inches) single cylinder, 2 valve type of engine. £5 each online or download your honda manual here for free!! Displaying parts for your 2012 honda cb1000r. Honda parts such as the headlight control switch, front stop switch, main switch, rear stop switch, selenium rectifier, wire harness coupler.

Go to the site below where you can see a parts diagram for your specific bike. .free honda 100 & 125 model cb100 cb125s cl100 sl100 cd125s description this is the complete official service repair manual for the honda it covers complete tear down and rebuild, pictures and part diagrams, torque specs, maintenance, honda 100 & 125 model cb100 cb125s. Find the right parts for yourhonda. Asv f3 sport shorty brake lever$100.00. 1983 honda cb1000c custom sintered hh front & rear brake pads. Honda Cb100 Parts Diagram

Genuine parts give 2016 honda cb1000r owners the ability to repair or restore a broken down or damaged machine back to the condition it first appeared in on the showroom floor. Cb100 fork diagram di jual honda cb100 jogja honda cb 100 dijual 2014 honda cb100 ex honda cb100 review honda cb100 repair manual honda custom parts honda cb1000 custom on craigslist honda cb1000 clipons honda cb1000 custom reviews honda cb1000 custom ten speed for sale. Browse » home » cb100 » diagram » electrical » electronic » honda » motorcycle » honda cb100 electrical motorcycle electronic diagram. Go to the site below where you can see a parts diagram for your specific bike.

Honda parts such as the headlight control switch, front stop switch, main switch, rear stop switch, selenium rectifier, wire harness coupler.

Honda Cb100 Parts Diagram £5 each online or download your honda manual here for free!! The honda cb 100 is a 4 stroke, scooter bike with a air cooled 99.00 ccm (6,01 cubic inches) single cylinder, 2 valve type of engine. Asv f3 sport shorty brake lever$100.00. Honda cb 77 parts list.

Viral Honda Cb100 Parts Diagram Pics The honda cb 100 is a 4 stroke, scooter bike with a air cooled 99.00 ccm (6,01 cubic inches) single cylinder, 2 valve type of engine. £5 each online or download your honda manual here for free!! Browse » home » cb100 » diagram » electrical » electronic » honda » motorcycle » honda cb100 electrical motorcycle electronic diagram. Genuine parts give 2016 honda cb1000r owners the ability to repair or restore a broken down or damaged machine back to the condition it first appeared in on the showroom floor. Get Honda Cb100 Parts Diagram Pictures Genuine parts give 2016 honda cb1000r owners the ability to repair or restore a broken down or damaged machine back to the condition it first appeared in on the showroom floor. Free honda motorcycle service manuals for download. View all pictures of 1973 honda cb 100 parts and photos on motorcyclepictures gallery. Our detailed 2016 honda cb1000r schematic diagrams make it easy to find the right oem part the first time, whether. Viral Honda Cb100 Parts Diagram Pictures Genuine parts give 2016 honda cb1000r owners the ability to repair or restore a broken down or damaged machine back to the condition it first appeared in on the showroom floor. Classic, vintage motorcycle, scooter restoration project (honda size: Lots of people charge for motorcycle service and workshop manuals online which is a bit cheeky i reckon as they are freely available all over the internet. Gambar berikut menunjukkan diagram kabel sambungan listrik untuk motor honda cb100.

Asv f3 sport shorty clutch lever$100.00. Honda cb100 th.80 custom restorasi pesanan pelanggan dari bpk. 2,172 results for honda motorcycle parts cb 100. Honda cb100 pdf user manuals. Our detailed 2016 honda cb1000r schematic diagrams make it easy to find the right oem part the first time, whether.

Honda Cb100 Parts Diagram Displaying parts for your 2012 honda cb1000r. Genuine parts give 2016 honda cb1000r owners the ability to repair or restore a broken down or damaged machine back to the condition it first appeared in on the showroom floor. This engine has 11.50 hp (8,36 kw)) @ 10500 rpm and a top speed of 110.0 km/h (68.

Honda Cb100 Parts Diagram images

Honda cb 500 wiring diagram.

Honda Cb100 Parts Diagram Honda cb 77 parts list. View all pictures of 1973 honda cb 100 parts and photos on motorcyclepictures gallery. 2,172 results for honda motorcycle parts cb 100. Honda parts such as the headlight control switch, front stop switch, main switch, rear stop switch, selenium rectifier, wire harness coupler. We have 1 honda cb100 manual available for free pdf download: Gambar berikut menunjukkan diagram kabel sambungan listrik untuk motor honda cb100.