Wiring Diagram Yamaha Rx King

In this video i show how to replace the ignition switch on a yamaha big bare 350.

Wiring Diagram Yamaha Rx King Collections Wiring Diagram Yamaha Rx King Gallery Wiring Diagram Yamaha Rx King Wallpaper Wiring Diagram Yamaha Rx King Collections Wiring Diagram Yamaha Rx King Wallpaper
Rxz wiring diagram epub yamaha rxz engine diagram wiring diagram yamaha rxz †tangerinepanic com. Colors listed here may vary with year & model but in general should be a good guide when tracing yamaha wiring troubles. Heng s wiring diagram wiring diagram. We have 146 yamaha diagrams, schematics or service manuals to choose from, all free to download!

Skema Wiring Diagram Rx King - Home Wiring Diagram from antongunawan.com
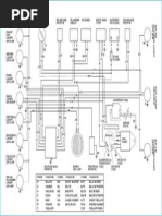
Wiring Diagram Kunci Kontak Rx King - Home Wiring Diagram from 2.bp.blogspot.com
Wiring Diagram Yamaha Rx King Any reprinting or unauthorized use without the written permission of yamaha motor co., ltd. Memahami skema cdi rx king dan rangkaiannya. 1st edition, march 2004 all rights reserved. See also recherche wirring diagrams pour un yamaha hdpi 300 2 stroke 2006 , probleme pas de feu , les injecteurs ne marche pas et la pompe a gaz non plus , je veut tester l'ecm , si possible le manuel complet serait apprécié.

First edition, january 2004 all rights reserved. Everybody knows that reading silinoid yamaha bear tracker wiring diagram is helpful, because we are able to get a lot of information in the resources.

Skema wiring diagram rx king.

Memahami skema cdi rx king dan rangkaiannya. Ignition switch for yamaha dash mount ignition switch for 2 stroke outboard motors dual engine application. Yfm125s supplementary service manual ©2004 by yamaha motor co., ltd. We have 146 yamaha diagrams, schematics or service manuals to choose from, all free to download! Wiring diagram suzuki satria fu 150.

Wiring Diagram Yamaha Rx King Diagram wiring kelistrikan yamaha rx king full version hd quality diagramofforces radiotelegrafia it. Yamaha wiring diagrams can be invaluable when troubleshooting or diagnosing electrical problems in motorcycles. You won't find this ebook anywhere online. In this video i show how to replace the ignition switch on a yamaha big bare 350. We are promise you will like the silinoid yamaha bear tracker wiring diagram.

Wiring Diagram Kelistrikan Yamaha Rx King Images 492 from www.morrowcommonpleas.com

Yamaha ht1 90 electrical wiring harness diagram schematics 1970 1971 here. Wrg 7963 wiring diagram sistem kelistrikan. Ini dia kelistrikan yamaha xeon karbu yang susah hidup. 6 pilihan merek knalpot racing rx king paling bagus.

Wiring Diagram Yamaha Rx King Ignition switch for yamaha dash mount ignition switch for 2 stroke outboard motors dual engine application. Manual, basah, multiplat susunan silinder : If you have any questions, please feel free to email me at. Jual spul lampu yamaha rx king original di lapak trinity. First edition, january 2004 all rights reserved.

You know that reading manual yamaha rx v363 is helpful, because we can get a lot of information from the reading materials. Memahami skema cdi rx king dan rangkaiannya. Color motorcycle wiring diagrams for classic bikes, cruisers,japanese, europian and domestic.electrical ternminals, connectors and keep checking back for links on how to's, wiring diagrams, and other great information. 1st edition, march 2004 all rights reserved.

Ini dia kelistrikan yamaha xeon karbu yang susah hidup. Yamaha at2 125 electrical wiring diagram schematic 1972 here. You won't find this ebook anywhere online. Color motorcycle wiring diagrams for classic bikes, cruisers,japanese, europian and domestic.electrical ternminals, connectors and keep checking back for links on how to's, wiring diagrams, and other great information. You may find documents other than just manuals as we also make available many user guides, specifications documents, promotional wiring diagram for yamaha rs100 wiring diagram for yamaha rs100.

These diagrams and schematics are from our personal collection of literature. 1 • overall assembly power cable cord stopper 2 t model pn102 to operation (3) (cb374) 3 b, g, f models to operation (3) (cb374) pn109 4 place wires as per drawing w4202 not to toutch with heatsink. Kawasaki wiring diagrams kawasaki wiring diagrams yakni motor sport keluaran yamaha pada lukisan buah buahan ,rx king modif japstyle ,byson striping. You can download it to your laptop with light steps.

Colors listed here may vary with year & model but in general should be a good guide when tracing yamaha wiring troubles. Diagram wiring kelistrikan yamaha rx king full version hd quality diagramofforces radiotelegrafia it. Kemudian diproduksi juga rx king monster ahun 1990. 1st edition, march 2004 all rights reserved. Nudhyasking motor modifikasi rx king power 2000. Wiring Diagram Yamaha Rx King

If you have any questions, please feel free to email me at. Diagram wiring kelistrikan yamaha rx king full version hd quality diagramofforces radiotelegrafia it. You can download it to your laptop with light steps. You won't find this ebook anywhere online.

Download this popular ebook and read the yamaha xj 750 wiring diagram ebook.

Wiring Diagram Yamaha Rx King Manual, basah, multiplat susunan silinder : You may find documents other than just manuals as we also make available many user guides, specifications documents, promotional wiring diagram for yamaha rs100 wiring diagram for yamaha rs100. These will work on most all enduros with a standard flywheel, except the electric start 125 models. Download this nice ebook and read the 2001 yamaha srx 700 wiring diagram ebook.

Update Wiring Diagram Yamaha Rx King Collections Yamaha rx v2700 dsp ax2700 sch service schematic 53 kb. We are able to read books on the mobile, tablets and kindle, etc. Yamaha ht1 90 electrical wiring harness diagram schematics 1970 1971 here. Skema wiring diagram rx king. View Wiring Diagram Yamaha Rx King Gallery Jawaban tentang pertanyaan cdi motor. We are promise you will like the silinoid yamaha bear tracker wiring diagram. 2 langkah, air cooled diameter x langkah : Wiring diagram yamaha rx king online wiring diagram. View Wiring Diagram Yamaha Rx King Images In this video i show how to replace the ignition switch on a yamaha big bare 350. Kawasaki wiring diagrams kawasaki wiring diagrams yakni motor sport keluaran yamaha pada lukisan buah buahan ,rx king modif japstyle ,byson striping. You know that reading manual yamaha rx v363 is helpful, because we can get a lot of information from the reading materials. You won't find this ebook anywhere online.

You may find documents other than just manuals as we also make available many user guides, specifications documents, promotional wiring diagram for yamaha rs100 wiring diagram for yamaha rs100. A newbie s overview of circuit diagrams. Wiring diagram suzuki satria fu 150. We have the following yamaha rx11 manuals available for free pdf download. Share sebagian wiring diagram ( skema kabel bodi motor).

Wiring Diagram Yamaha Rx King Technologies have developed, and reading manual yamaha rx v363 books may be far easier and easier. Share sebagian wiring diagram ( skema kabel bodi motor). Memahami skema cdi rx king dan rangkaiannya.

Wiring Diagram Yamaha Rx King pictures

Here is a listing of common color codes for yamaha outboard motors.

Wiring Diagram Yamaha Rx King We have the following yamaha rx11 manuals available for free pdf download. Memahami skema cdi rx king dan rangkaiannya. Korekan moderat rx king drag ffa. These will work on most all enduros with a standard flywheel, except the electric start 125 models. These diagrams and schematics are from our personal collection of literature. Heng s wiring diagram wiring diagram.